ŠÍŘKA
30 - 100 mm
CENA
od 0,3069 €
Speciálně navržený profil pro zpevňování krokví o síle 2 mm.
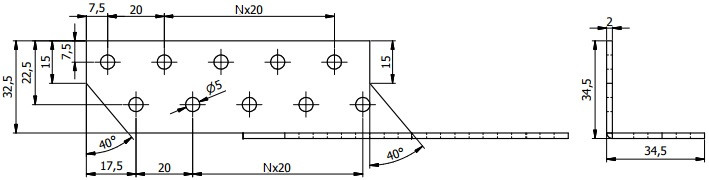
V rozměru uvádíme celkovou délku spojky x výšku jedné strany x výšku druhé strany. Co je myšleno levou a pravou spojkou je vysvětleno na obrázku níže.

Aplikace
Základní výhodou těchto spojek je značné zvýšení odolnosti střechy proti zvedání větrem. K jejich upevnění lze použít konvexní hřebíky či vruty o průměru 4 mm.

info@sroubyonline.cz
Pondelok - Piatok 7.00 - 15.30

Doprava ZADARMO
Pri nákupe nad 209 €.

Od 1 kusa
Možnosť nákupu od 1 kusa.

Skladová zásoba
Viac ako 40 000 položiek skladom.