PRŮMĚR
6 - 24 mm
DÉLKA
20 - 140 mm
CENA
od 0,1601 €
V rozměru uvádíme průměr šroubu (závitu) x jeho délku. V případě zápustných šroubů se jejich délkou rozumí celková délka šroubu, včetně hlavy

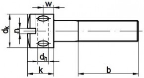
Rozměry

| Průměr | Šířka drážky (n) | Průměr hlavy (dk) | Výška hlavy (k) | Délka závitu (b) | Průměr otvoru (dh) |
| M3 | 0,8 mm | 5,5 mm | 4 mm | 19 mm | 1,5 mm |
| M4 | 1 mm | 7 mm | 5 mm | 22 mm | 2 mm |
| M5 | 1,2 mm | 8,5 mm | 6,5 mm | 25 mm | 2,5 mm |
| M6 | 1,6 mm | 10 mm | 8 mm | 28 mm | 3 mm |
| M8 | 2 mm | 13 mm | 10 mm | 34 mm | 4 mm |
Vzdálenost středu otvoru od spodní hrany hlavy je rovna průměru otvoru (w = dh).
info@sroubyonline.cz
Pondelok - Piatok 7.00 - 15.30

Doprava ZADARMO
Pri nákupe nad 209 €.

Od 1 kusa
Možnosť nákupu od 1 kusa.

Skladová zásoba
Viac ako 40 000 položiek skladom.